|
【产品介绍】
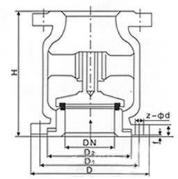
不锈钢立式止回阀本系列阀门正常处于关闭状态,由于管线中进口端介质的压力作用,而克服弹簧阻力使阀门开启。当进口端介质压力低于出口端时,弹簧将阀芯推向阀座而使阀门关闭,阻止介质逆流,故起止回作用。 本阀门由于采用弹簧支撑阀芯,故采用立式安装或卧式装均可。
一、不锈钢立式止回阀【主要性能规范】
| 型号 |
公称压力 PN(MPa) |
试验压力SP(MPa) |
适用温度 (℃) |
适用介质 |
| 壳体 |
密封 |
| H42W-25P |
2.5 |
3.8 |
2.8 |
≤200 |
硝酸类 |
| H42W-25R |
醋酸类 |
| H42W-40P |
4.0 |
6.0 |
4.4 |
水、油品 |
| H42W-40R |
|
| H42Y-40 |
|
二、不锈钢立式止回阀【主要外形尺寸和连接尺寸】单位(MM)
| 型号 |
公称通径 DN(mm) |
尺寸(mm) |
| L |
D |
D1 |
D2 |
b |
f |
Z-Φ |
| 1 |
2 |
3 |
| H42W-25P H42W-25R |
15 |
- |
85 |
85 |
95 |
65 |
45 |
16 |
- |
4-Φ14 |
| 20 |
- |
95 |
95 |
105 |
75 |
55 |
16 |
- |
4-Φ14 |
| 25 |
- |
100 |
105 |
115 |
85 |
65 |
16 |
- |
4-Φ14 |
| 32 |
- |
105 |
150 |
135 |
100 |
78 |
16 |
- |
4-Φ14 |
| 40 |
- |
115 |
160 |
145 |
110 |
88 |
18 |
- |
4-Φ14 |
| 50 |
140 |
125 |
170 |
160 |
125 |
100 |
20 |
3 |
4-Φ14 |
| 65 |
160 |
145 |
180 |
180 |
145 |
120 |
22 |
3 |
8-Φ18 |
| 80 |
185 |
155 |
200 |
195 |
160 |
135 |
22 |
3 |
8-Φ18 |
| 100 |
210 |
210 |
210 |
230 |
190 |
160 |
24 |
3 |
8-Φ23 |
| 125 |
- |
275 |
275 |
275 |
220 |
188 |
28 |
3 |
8-Φ25 |
| 150 |
300 |
225 |
300 |
300 |
250 |
218 |
30 |
3 |
8-Φ25 |
| 200 |
380 |
380 |
380 |
360 |
310 |
278 |
34 |
3 |
12-Φ25 |
止回阀系列-类别表
 |
‖单瓣对夹式止回阀‖ |
| 型号:H74H 准标公称压力:PN1.6 2.5 4.0(MPa) 阀体测验压力:PN2.4 3.75 6.0(MPa) 密封测 | |
 |
‖不锈钢立式止回阀‖ |
| 型号:H42H,H72H,H12H 准标公称压力:PN1.6 2.5 4.0(MPa) 阀体测验压力:PN2.4 3.75 6.0(M | |
 |
‖不锈钢旋启式止回阀‖ |
| 型号:H44H 准标公称压力:PN1.6 2.5 4.0 6.4 10(MPa) 阀体测验压力:PN2.4 3.75 6.0 9.6 1 | |
 |
‖升降式止回阀‖ |
| 型号:H41H 准标公称压力:PN1.6 2.5 4.0 6.4 10(MPa) 阀体测验压力:PN2.4 3.75 6.0 9.6 1 | | |